RSK 新泻理研 55-9-12.2 55-9-18.0 测针
2026-02-26 17:10:47
admin

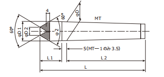
逆向测针
55-9-12.2
55-9-18.0
无中心孔,可用于直径较小的工件。
